Обзор продукта
Внутренний высоковольтный вакуумный выключатель нагрузки FZN61-12 — это внутренний высоковольтный вакуумный изолирующий выключатель нагрузки (автоматический выключатель), самостоятельно разработанный нашей компанией с использованием собственной технологии. Он применим для переменного тока с частотой 50 Гц и номинальным напряжением 12 кВ. Благодаря уникальному и новому внешнему виду он отличается простой конструкцией при использовании в оборудовании распределения электроэнергии, отличными практическими характеристиками и меньшей шириной и объемом шкафа. Он может использоваться в качестве оборудования электропитания кольцевой сети в системах распределения электроэнергии промышленных и горнодобывающих предприятий, жилых комплексов, школ и т. д.

Внутренний высоковольтный вакуумный выключатель нагрузки FZN61-12 — это изделие с модульной конструкцией. Он объединяет вакуумный выключатель, разъединитель, заземлитель, основание предохранителя и элементы переключателя панели управления. Можно выбрать электрические рабочие и вспомогательные контакты.
Поворотный изолирующий выключатель имеет очевидную точку отключения после размыкания. Изолирующий выключатель и заземлитель блокируются для работы. В то же время механические блокировки между изолирующим выключателем, вакуумным выключателем и дверцей шкафа также соответствуют требованиям блокировки «пяти предупреждений» для комплектов высоковольтного оборудования. В частности, блокировочная функция «блокировки» добавлена в рабочее отверстие панели, наделяя весь выключатель двойными функциями блокировки «пяти предупреждений» спереди и сзади.
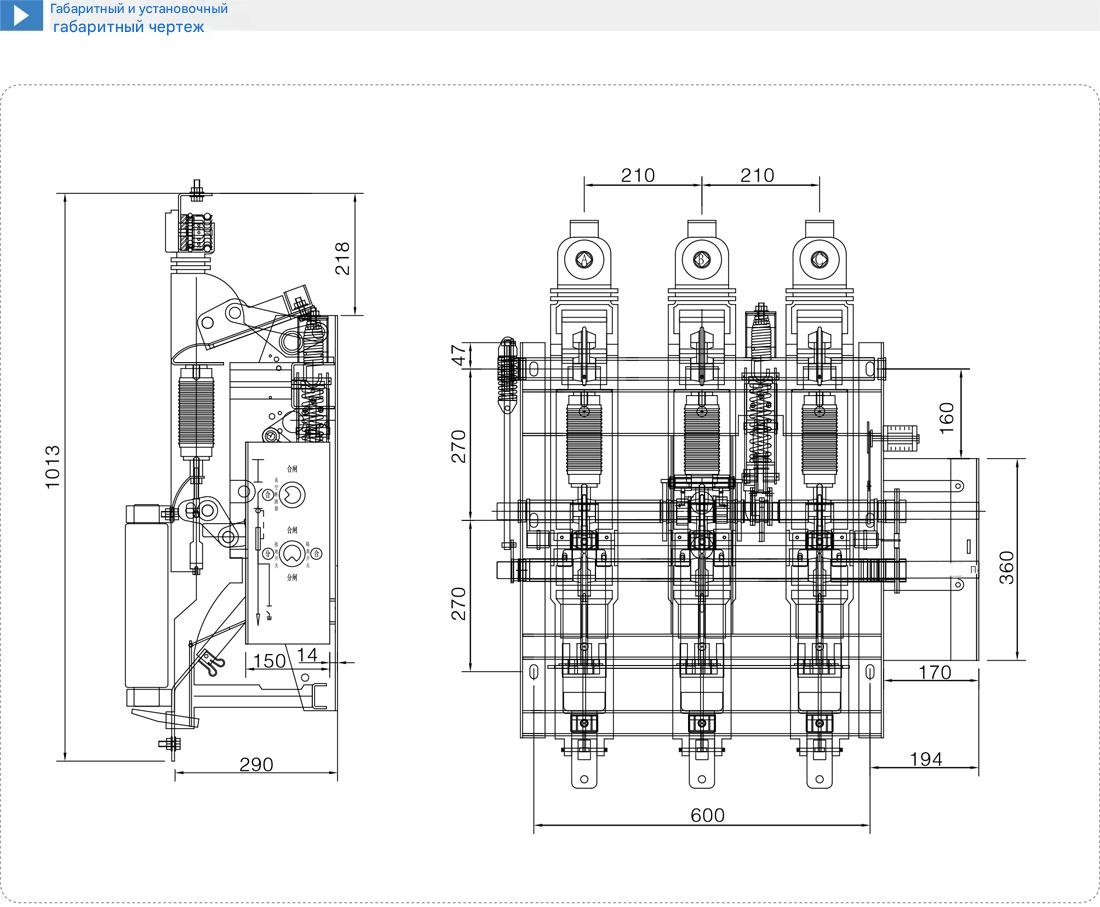
Выключатель имеет небольшие размеры. Ширина вакуумного выключателя нагрузки как в замкнутом, так и в разомкнутом состоянии составляет ≤299 мм. Параметры таковы, что номинальный ток вакуумного выключателя нагрузки (автоматического выключателя) может достигать 1250 А, а номинальный ток комбинированного электроприбора может достигать 200 А, что может защитить трансформатор мощностью 200 кВА.

