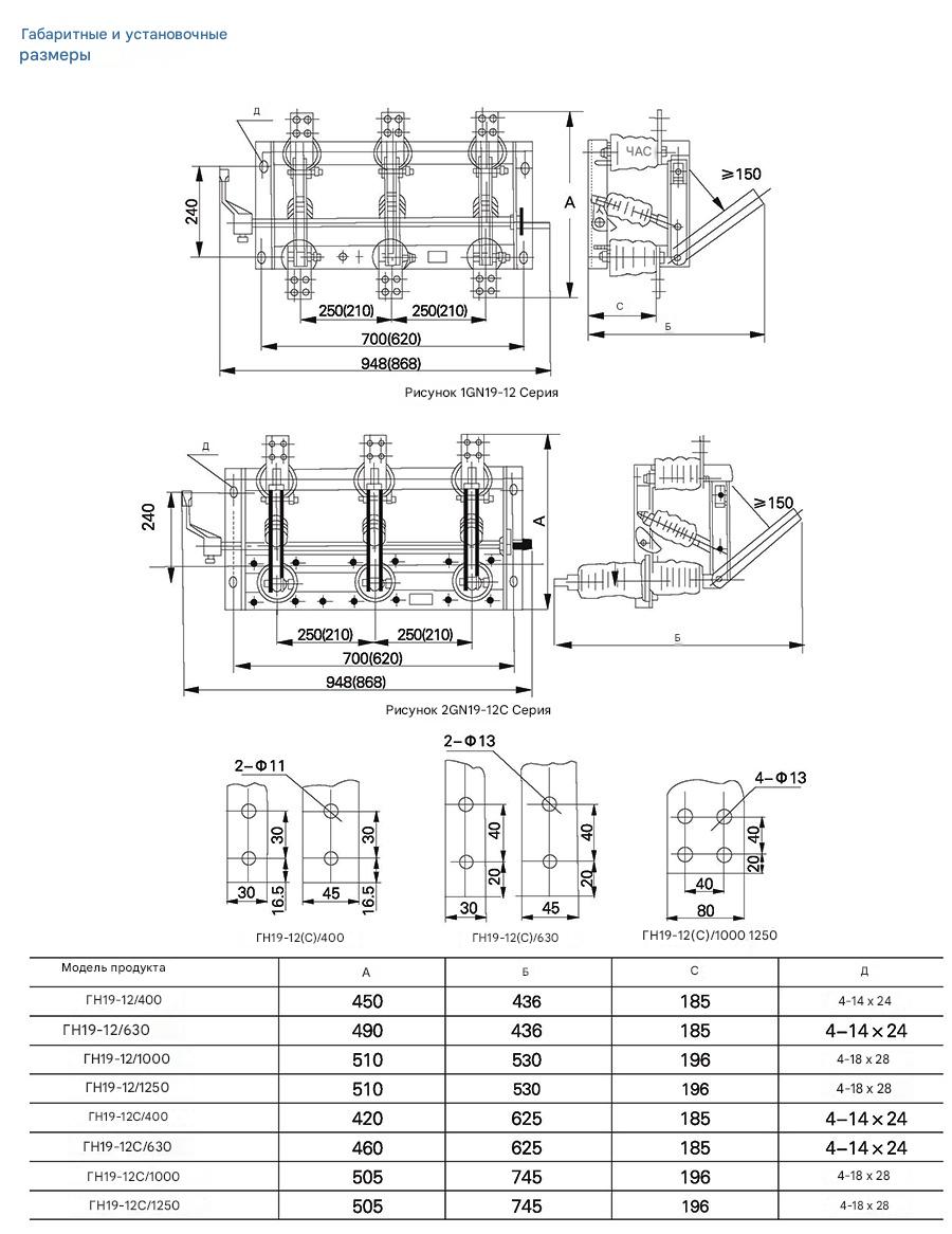
Внутренние высоковольтные разъединители серии GN19 - 12C/1250 настенного типа являются внутренними устройствами с номинальным напряжением 12 кВ, подходящими для трехфазных систем переменного тока с частотой 50 Гц.
a. Место установки должно быть свободно от газов, паров, химических отложений, соляного тумана, пыли, грязи и других взрывоопасных или едких веществ, которые могут серьезно повлиять на изоляцию и проводимость разъединителей.
b. Место установки должно быть свободно от частых и интенсивных вибраций.

