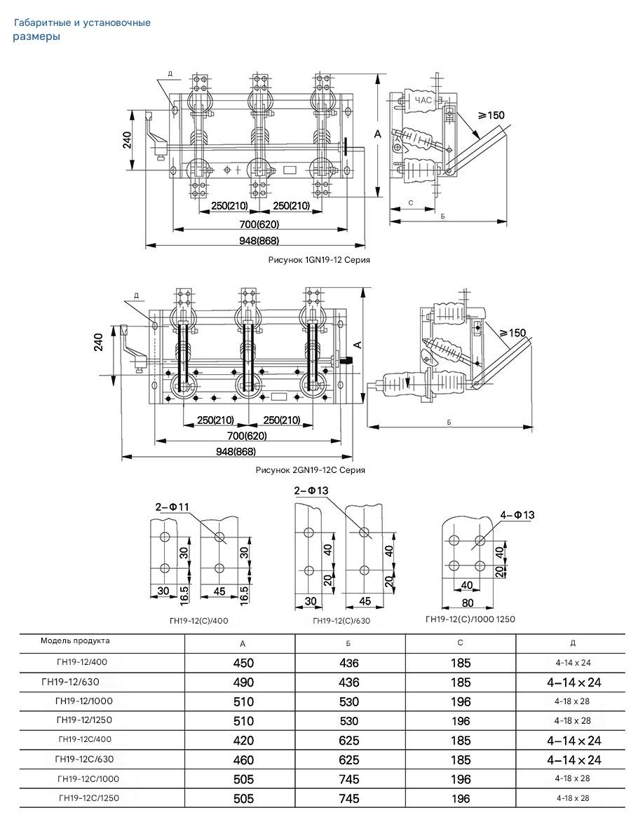
Внутренние высоковольтные разъединители серии GN19-12C/1250 (далее именуемые разъединителями) являются внутренними устройствами с номинальным напряжением 12 киловольт и подходят для трехфазных систем переменного тока частотой 50 герц.
a. Место установки должно быть свободно от газов, паров, химических отложений, соляного тумана, пыли, грязи и других взрывоопасных или едких веществ, которые могут серьезно повлиять на изоляцию и проводимость разъединителей.
b. Место установки должно быть свободно от частых и интенсивных вибраций.

